Самовывоз - бесплатно
Стандартная инсталляция Geberit Duofix Delta UP100 111.153.00.1 с бачком скрытого монтажа для подвесного унитаза.
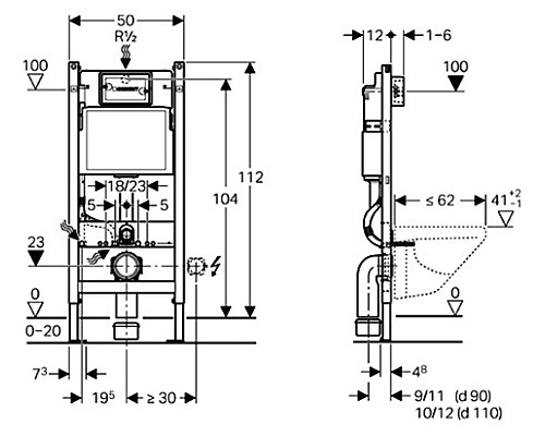
Монтаж:
Встраиваемая перед стеной.
Ширина: 50 см.
Высота: 112 см.
Бесступенчатая регулировка высоты ножек: 0-20 см.
Расстояние между болтами для монтажа унитаза: 18 или 23 см.
Подключение воды: 1/2 дюйма по центру сзади/сверху.
Функциональность:
Бачокскрытогомонтажа сфронтальныммеханическим управлением.
Режим смыва: двойной или одинарный.
Режим старт/стоп: возможность прерывания смыва в любой момент.
Заводская установка объема смыва: 6 и 3 л.
Диапазон настройки большого объема: 4,5/6/7,5 л.
Диапазон настройки малого объема: 3-4 л.
Объем в режиме старт/стоп: 4,5/6/7,5 л.
В комплекте поставки:
Монтажная рама.
Смывной бачок.
Две резьбовыешпилькиМ12длякрепленияунитаза.
Механизм двойного смыва.
УгловойзапорныйвентильR1/2 дляподводаводы.
Две защитныезаглушки.
Коробкамонтажнаядляокнаобслуживания из полистирола.
Трубка для подвода воды Geberit AquaClean
Крепление для стока.
ФановыйотводизПНД,D9/9 см.
Комплект манжет D 90 см.
Адаптер, D 9/11 см.
Крепежи к полу, для встройки в профиль.
Характеристики
Нет отзывов об этом товаре.
Нет вопросов об этом товаре.
