Самовывоз - бесплатно
Инсталляция Grohe Rapid SL 38775001 для подвесного унитаза. Предоставит свободу в реализации самых смелых идей при проектировании ванной комнаты и обеспечит быструю и надежную установку.
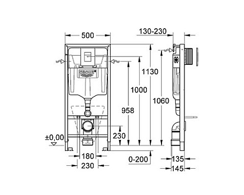
Характеристики:
- Инсталляция:
Габариты (ШхВхГ): 50x113x23 см.
Монтаж перед стеной или стеной-перегородкой.
Самонесущая стальная рама с порошковым напылением подготовлена для облицовки.
Фиксированные подключения, быстрая регулировка по высоте, крепежный материал.
2 болта-держателя для унитаза, крепление для керамики.
Расстояние между болтами 18/23 см, выходной патрубок для унитаза диаметром 9 см, редуктор диаметром 9/11 см.
Подключение для впуска и впускной гарнитур.
Объем смывного бачка (GD 2): 6/9 л. Пневматический смывной клапан с тремя режимами слива: 2-х объмный, старт/стоп, непрерывный.
Подключение воды слева, справа и сзади. Изоляция от конденсационной влаги.
- Клавиша смыва:
Хромированное глянцевое покрытие Grohe StarLight гарантирует длительную износостойкость без царапин с сияющей чистотой.
Вертикальный и горизонтальный монтаж, 15,6x19,7 см, из ABS.
Цвет: Хром.
- Настенный крепеж:
Бесступенчатая регулировка глубины от 13 - 20,3 см.
Облицовка для одиночного или рельсового монтажа.
- Шумоизоляция
2 резиновые втулки.
Размер: 42x42 см. Вес: 0,14 кг.
Материал:пенополистирол.
В комплекте поставки: инсталляция, клавиша смыва, настенный крепеж, шумоизоляция.
Характеристики
Нет отзывов об этом товаре.
Нет вопросов об этом товаре.
